◊ Historic Buchla Modules
Buchla pages > Buchla 200 modules > 208 Stored Program Sound Source
Buchla pages > Buchla 200 modules > 208 Stored Program Sound Source

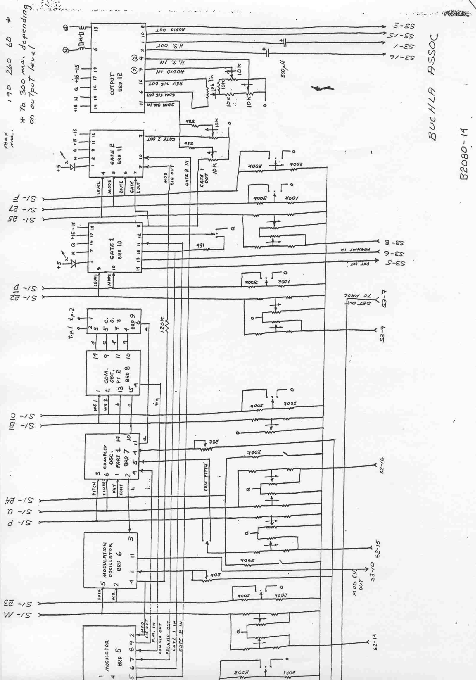
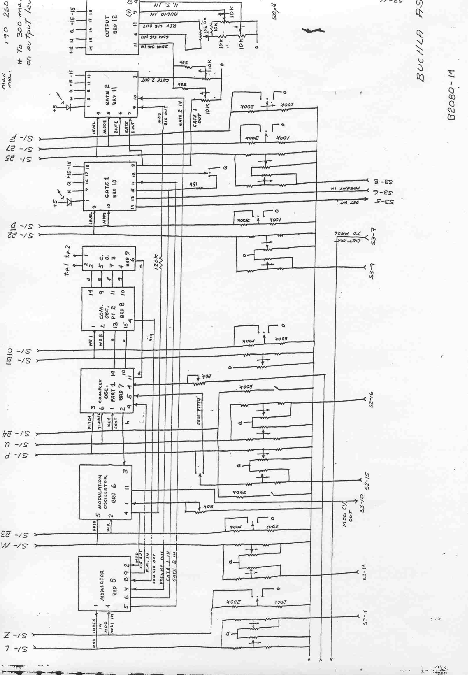
An integrated assemblage of functions designed to provide small Electric Music Box systems with an extensive and readily accessible vocabulary. To this end, the model 208 utilizes a new functional organization, a particularly rapid system of patching, and program storage via plug-in cards.
The 208's primary signal source is the complex oscillator. This innovation applies a computer-developed technique of high-index bipolar modulation to the generation of complex audio spectra. The result is a timbral range unapproached by other musical instruments. Pitch, timbre, and waveshape are voltage controlled.
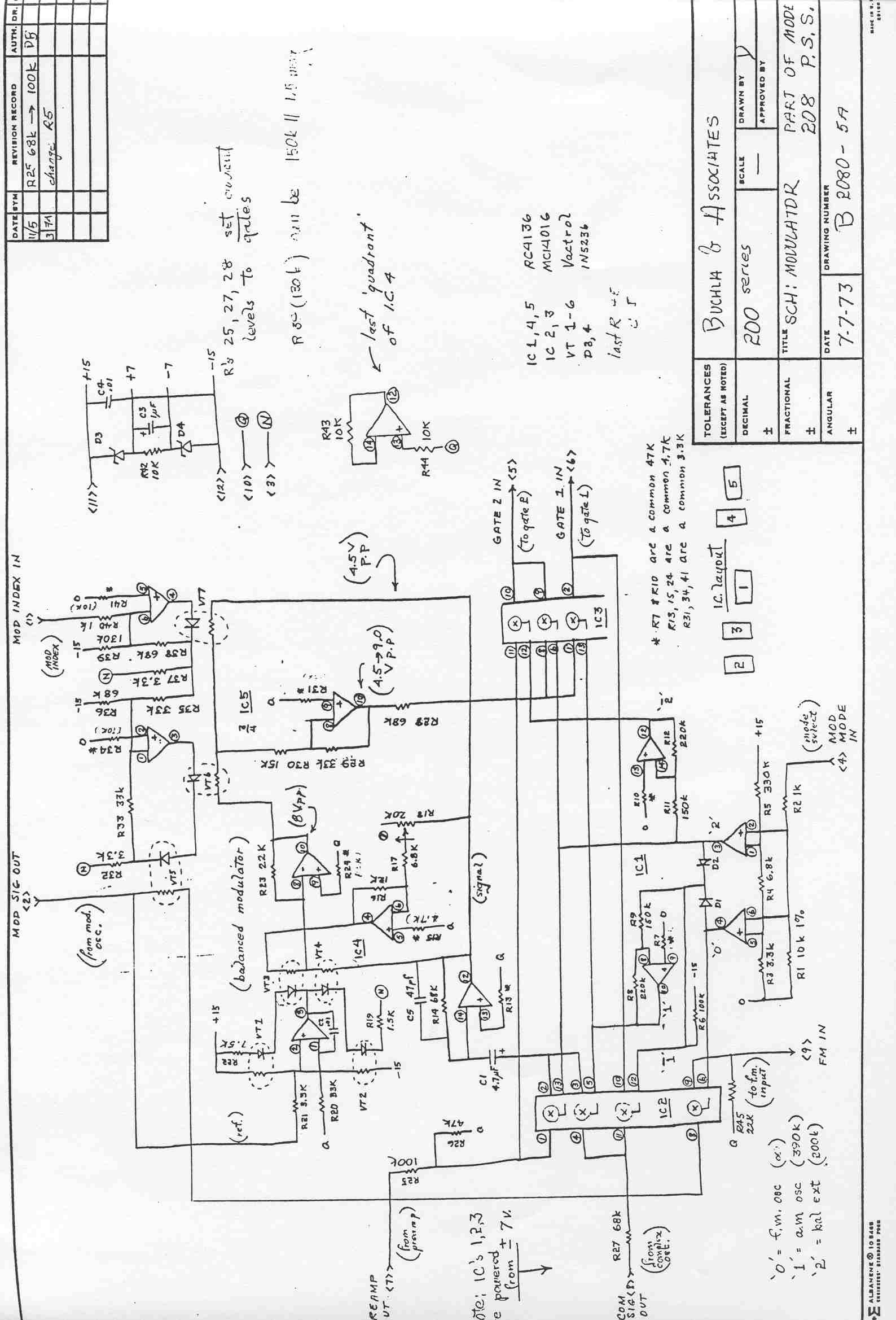
A modulation oscillator serves as an additional signal source or can be used to frequency or amplitude modulate the complex oscillator. Frequency and modulation index may be voltage controlled; mode and waveshape are switch selected. signal enveloping is accomplished with two lopass gates, unique for their ability to gate in the frequency domain, the amplitude domain, or both simultaneously.
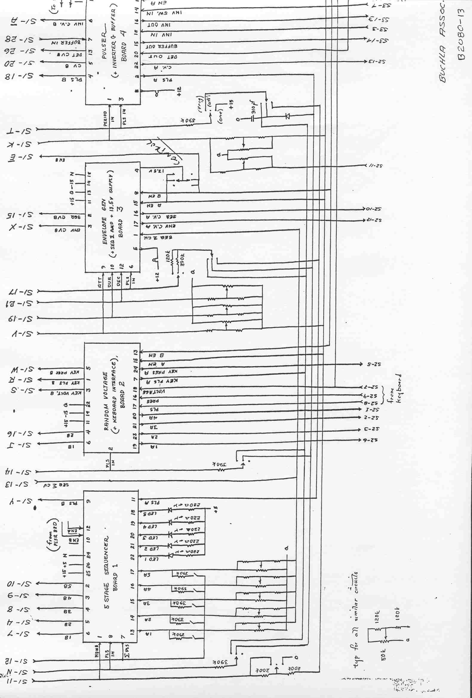
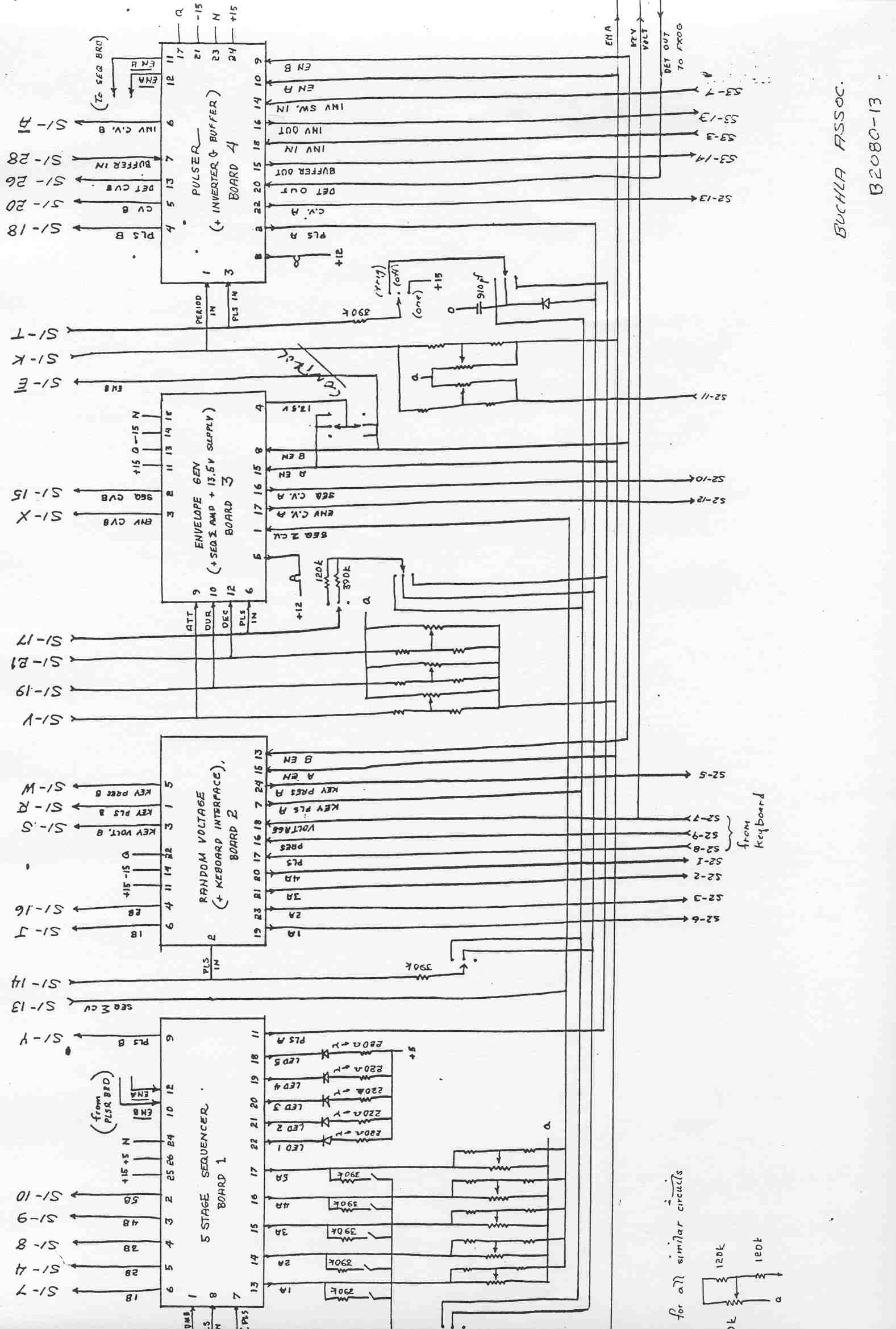
The 208's control voltage section includes a five-position sequencer with programmable pulse outputs and a random voltage generator with four uncorrelated voltage outputs. An envelope generator has voltage controllable attack, duration and decay times, and a voltage controlled pulser provides trigger pulses and additional envelope voltages.
The 208 provides the capability for permanent storage and immediate retrieval of complete instrument definitions (patches) or portions thereof. (An "instrument definition" includes settings of parameters, degrees of articulation, switch positions, and interconnections.) Storage entails the installment of resistors on program cards; retrieval is accomplished by plugging in a desired program card and activating a switch.
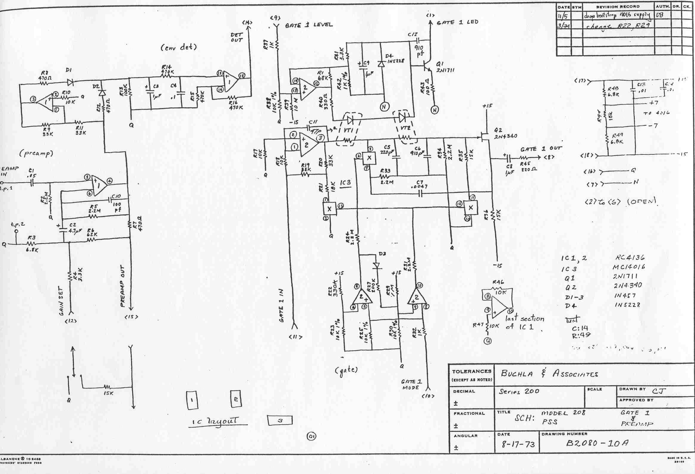
A preamplifier allows external signals (mike, instrument, or line level) to be introduced and modulated, filtered, or otherwise processed. An envelope detector permits such signals to control various aspects of the 208's operation. An output section provides for mixing, reverberation, monitoring, and final level adjustments. A two-watt monitor output will drive headsets or low level speakers.
The models 208 Stored Program Sound Source is supplied with six blank program cards, an assortment of programming resistors, and a comprehensive instruction manual. It occupies four panel units.