◊ Historic Buchla Modules
Buchla pages > Buchla 200 modules > 258 Dual Oscillator
Buchla pages > Buchla 200 modules > 258 Dual Oscillator

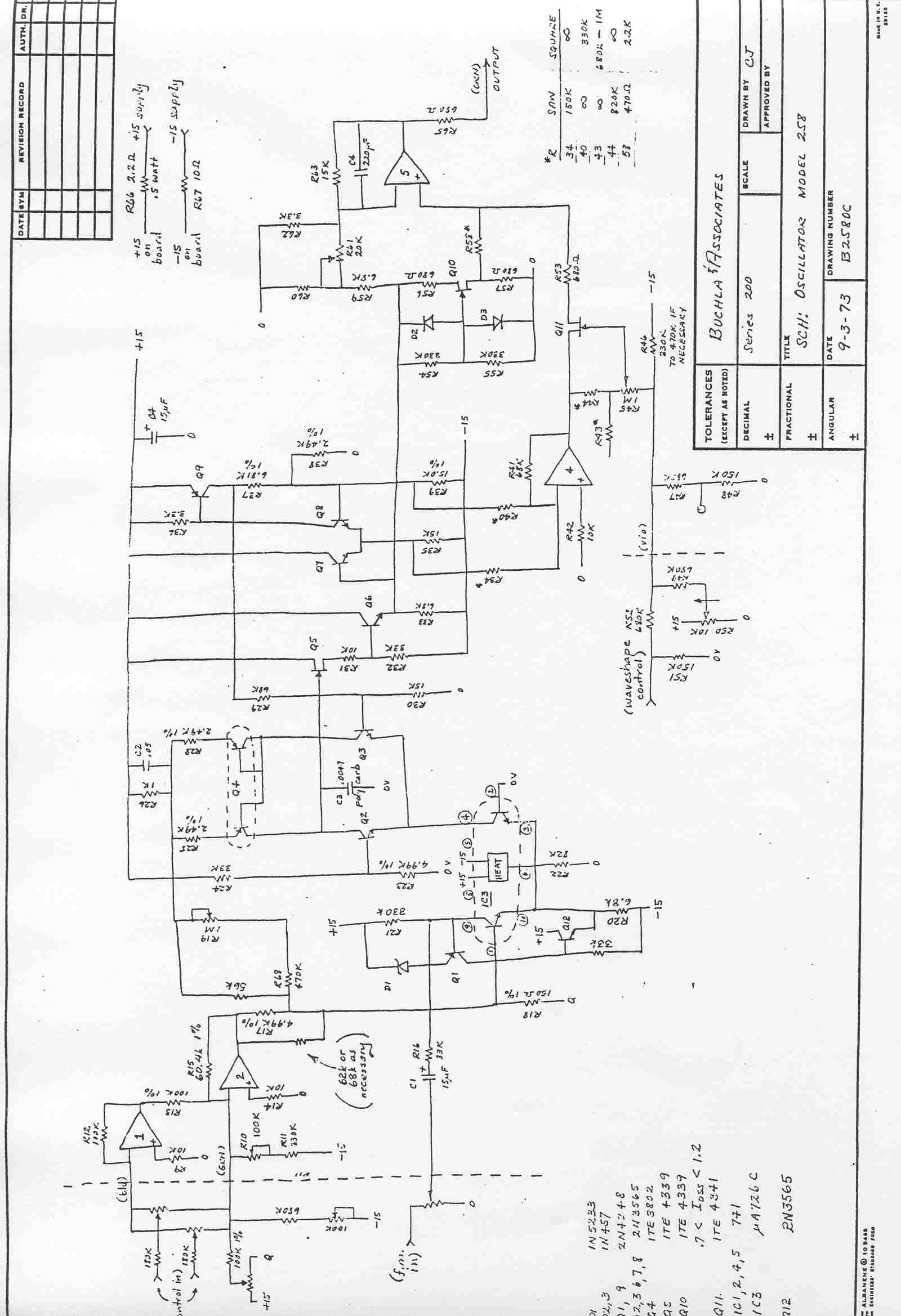
Two independent voltage-controlled oscillators, continuously tunable from 5 Hz to 20 kHz. Each has two processing inputs and a frequency modulation input. Waveshapes as well as frequency can be voltage controlled. Model 258 oscillators feature low sine wave harmonic content, negligible settling error, and high short and long-term stability, even with rapidly changing ambient temperatures.
Controls and I/O: