◊ Historic Buchla Modules
Buchla pages > Buchla 200 modules > 284 Quad Voltage-Controlled Envelope Generator
Buchla pages > Buchla 200 modules > 284 Quad Voltage-Controlled Envelope Generator

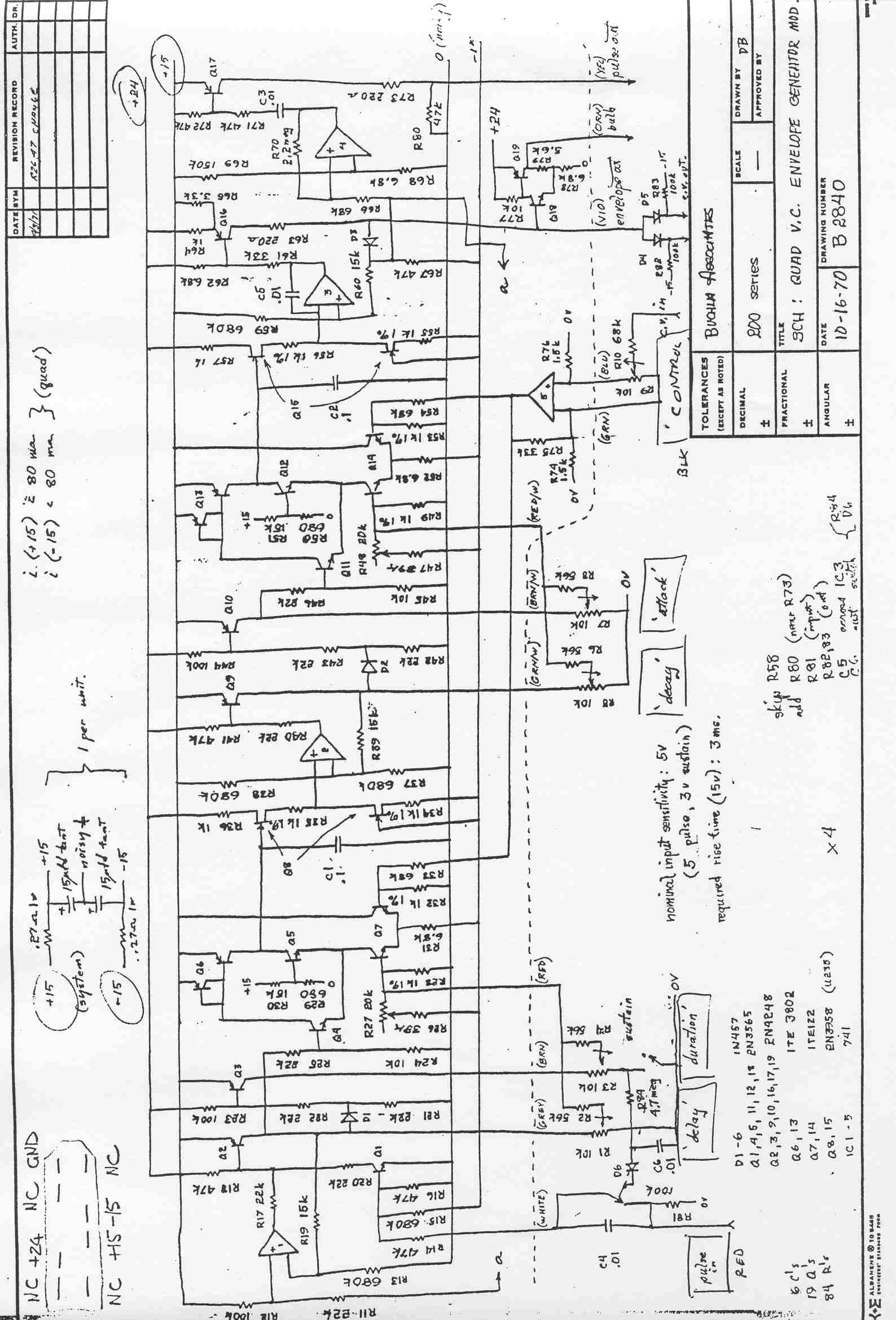
Adds voltage control and variable delay and duration times to the capabilities of the Model 280. All times are internally variable from .002 to 10 seconds; control voltages may be used to extend this range and control overall time while preserving envelope shape.