◊ Historic Buchla Modules
Buchla pages > Buchla 200 modules > 266 Source of Uncertainty
Buchla pages > Buchla 200 modules > 266 Source of Uncertainty

(Photo courtesy of of The Buchla Archives)
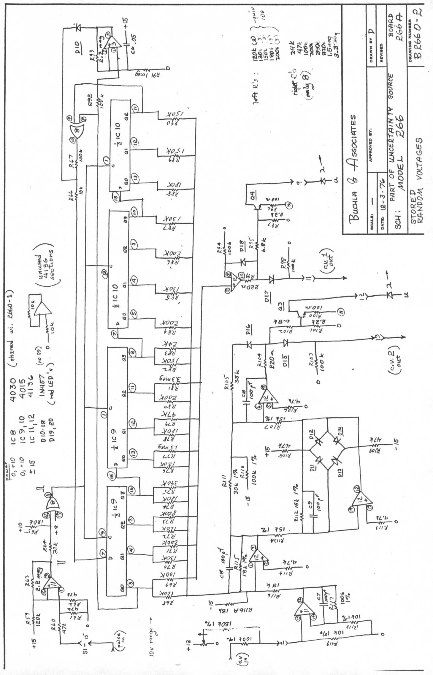
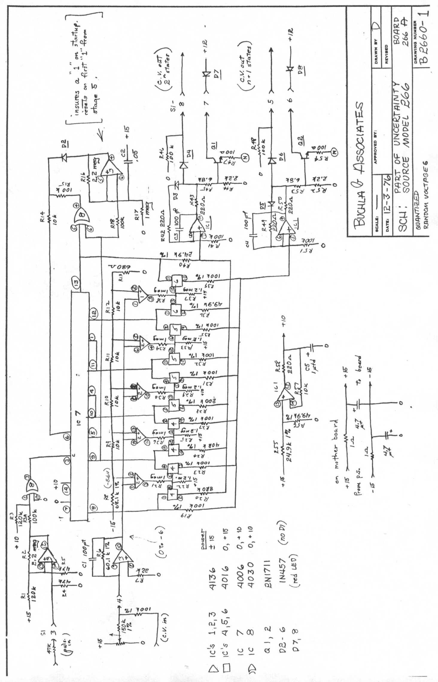
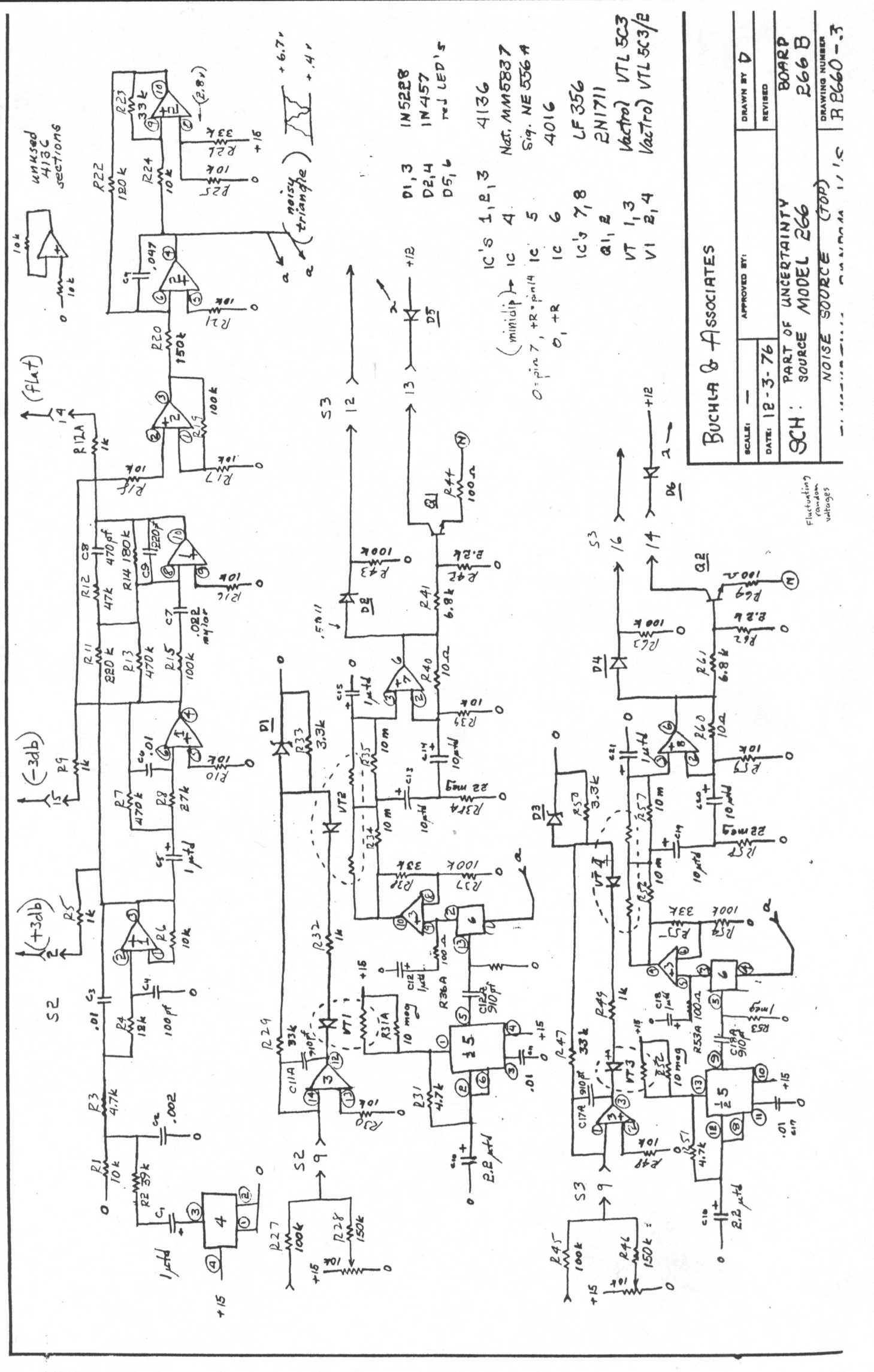
Replacing the model 265 Source of Uncertainty, model 266 provides, in addition to the functions of the 265, voltage control of probability distribution and quantization, a voltage controlled integrator, and a specialized sample and hold.