◊ Historic Buchla Modules
Buchla pages > Buchla 200 modules > 217 Multiple Touch Controlled Voltage Source
Buchla pages > Buchla 200 modules > 217 Multiple Touch Controlled Voltage Source

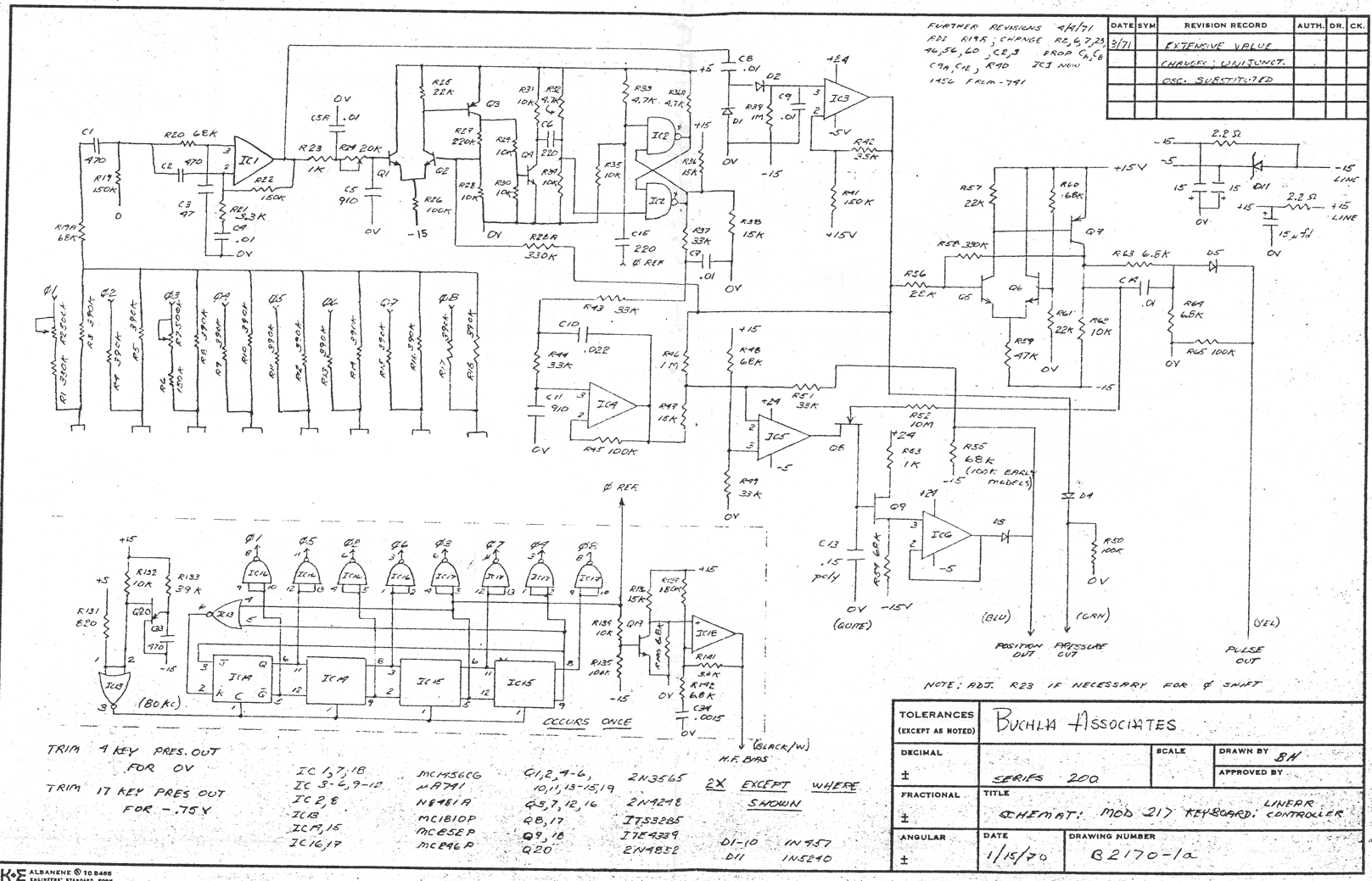
A combination of four separate touch sensitive controllers, each with a variety of pressure and position activated outputs.
The Model 217 includes a 17 note electronic keyboard with both tunable and equal interval outputs. All pulse and pressure outputs are activated by any key: separate pulse outputs are triggered by individual keys.
A similar 4 key section has the above features plus individual pressure outputs for each key. Two analogue controllers provide output voltages that are proportional to lateral position.; they also feature pressure and pulse outputs.
The Model 217 incorporates design features that assure logical and responsive operation. Output voltages are "remembered" when a finger is lifted, the output remains at the last value; keys do not "block" the sustaining of one key does not inhibit the action of another: functions are activated by body capacitance, providing a level of responsiveness and reliability unavailable with mechanical or resistance sensitive keyboards.