◊ Historic Buchla Modules
Buchla pages > Buchla 200 modules > 227 System Interface
Buchla pages > Buchla 200 modules > 227 System Interface

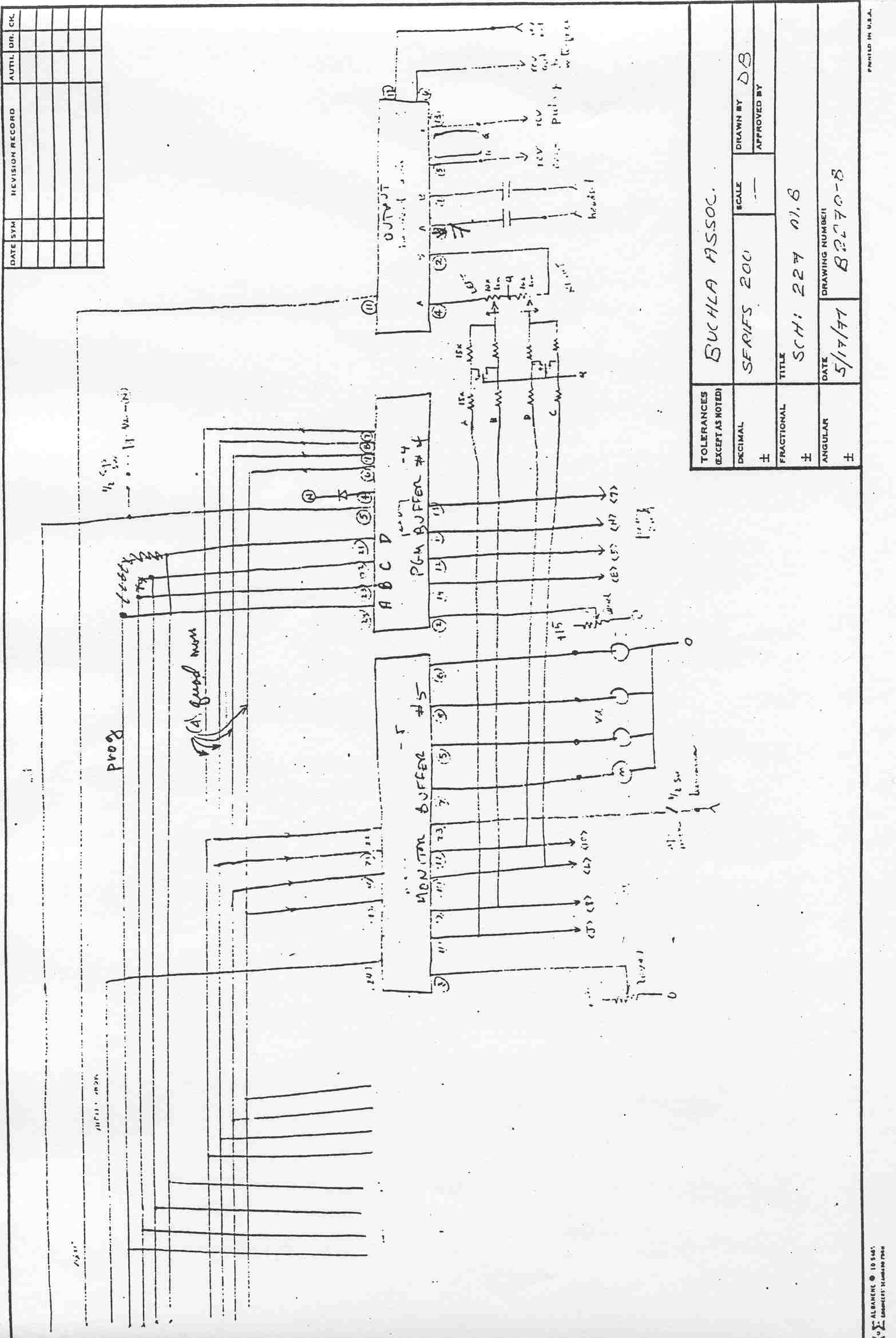
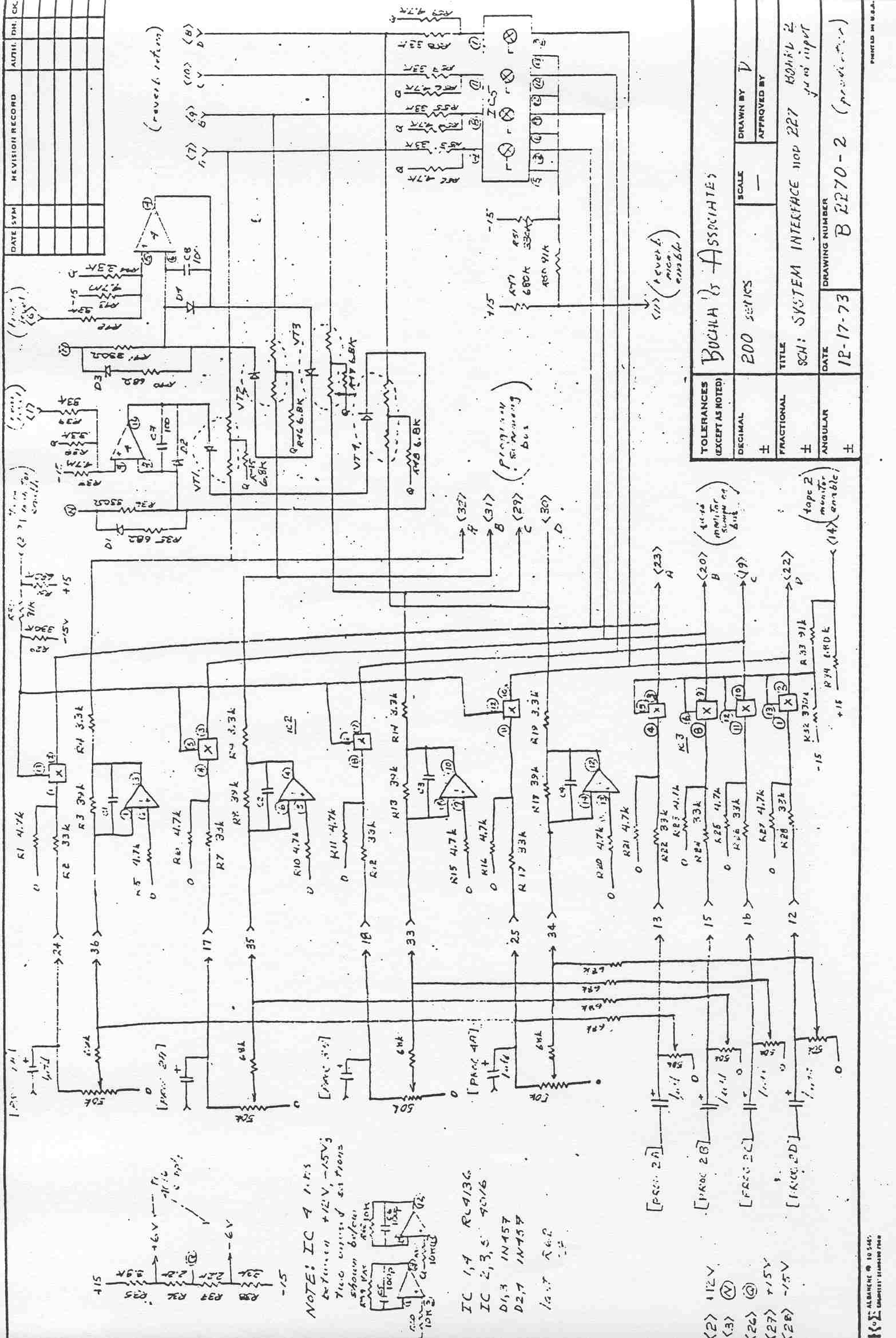
The model 227 System Interface facilitates the equalization, location, mixing, monitoring, and routing of audio signals in 4-channel studio or performance environments.
There are a total of 12 signal inputs. Four are primary inputs, with associated bass and treble controls, reverb send pots, and locations or assignment controls. The remaining eight are organized as two quad busses, can be normalled from tape decks, and are used for mixing and dubbing when no further processing is desired. Locations and movement can be governed by applied control voltages; indicators are provided to display activity and to aid in accurate track assignment.
Two quad outputs are provided -- the program bus and the monitor bus. In studio applications, the program bus is typically routed to tape recorders, and the monitor bus drives a quad sound system. In performance situations, the program bus drives the sound system, and monitoring (preview) is accomplished via the headset output.
The monitor function is activated with toggle switches. Points that can be directly monitored include the program output, the reverb return, each of the 227's inputs, and various mixer inputs within the system. Monitor status is indicated with solid state light emitters. VU meters are driven from the monitor bus.
The 227 is equipped with an internal spring reverb; and external reverb unit (mono, stereo, or quad) may be patched in if desired.
All lines to and from the system (up to 29) connect through a single front panel receptacle, thus allowing rapid and accurate disconnection and reconnection of a system from its environment. Adaptors for miniphone and solder terminations (for fixed installations) are provided.